#الكرسي_المعلق
يعتبر من الخيارات الجميله في المنزل لما يتميز به من جمال ونظافة المكان ، يعتبر أغلا من الكرسي العادي ، يتطلب تأسيس من البدايه قبل اللياسه ، له أرتفاعات يجب تنفيذها بدقه ، يوجد له مقاسين ( ١٨ ، ٢٣ )
#التصميم_الداخلي #تصميم_معماري #ديكور_داخلي
يعتبر من الخيارات الجميله في المنزل لما يتميز به من جمال ونظافة المكان ، يعتبر أغلا من الكرسي العادي ، يتطلب تأسيس من البدايه قبل اللياسه ، له أرتفاعات يجب تنفيذها بدقه ، يوجد له مقاسين ( ١٨ ، ٢٣ )
#التصميم_الداخلي #تصميم_معماري #ديكور_داخلي
من الأخطار أثناء تركيب الكرسي المعلق:
١ . تكسير الجدار الأساسي وتثبيت الكرسي داخل الجدار . وهذا يضعف الجدار ويكون الكرسي من الخلف مكشوف وغير آمن ، وكذلك ينعدم الشكل الجمالي من الداخل
#التصميم_الداخلي #تصميم_معماري #ديكور_داخلي
١ . تكسير الجدار الأساسي وتثبيت الكرسي داخل الجدار . وهذا يضعف الجدار ويكون الكرسي من الخلف مكشوف وغير آمن ، وكذلك ينعدم الشكل الجمالي من الداخل
#التصميم_الداخلي #تصميم_معماري #ديكور_داخلي
من الأخطاء أثناء تركيب الكرسي المعلق ؛
٢ . الصب حول الجزء السفلي من الكرسي وهذا خطا فقط يلبش باللياسه ويبلط عليه فقط
#التصميم_الداخلي #تصميم_معماري #ديكور_داخلي
٢ . الصب حول الجزء السفلي من الكرسي وهذا خطا فقط يلبش باللياسه ويبلط عليه فقط
#التصميم_الداخلي #تصميم_معماري #ديكور_داخلي
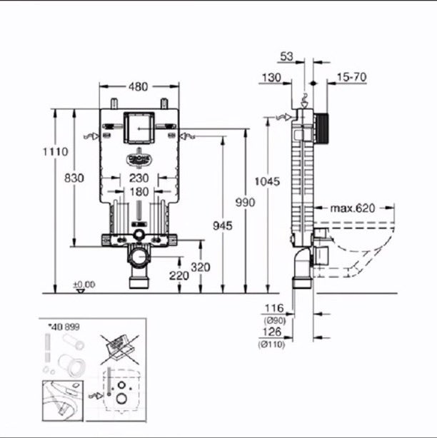
الارتفاعات
عند التأسيس الأولي يجب ان تكون ارتفاع المسامير الحامله للكرسي من مستوى وجه البلاط من أعلا ( ٣٢ - ٣٣ ) سم وهذا الارتفاع المثالي ويقبل النزول والطلوع عن ذلك ٢ سم
#التصميم_الداخلي #تصميم_معماري #ديكور_داخلي
عند التأسيس الأولي يجب ان تكون ارتفاع المسامير الحامله للكرسي من مستوى وجه البلاط من أعلا ( ٣٢ - ٣٣ ) سم وهذا الارتفاع المثالي ويقبل النزول والطلوع عن ذلك ٢ سم
#التصميم_الداخلي #تصميم_معماري #ديكور_داخلي
مقاساته
يوجد مقاسين له (١٨ - ٢٣ ) الافضل والأريح ٢٣ لكنه الاغلى سعراً
#التصميم_الداخلي #تصميم_معماري #ديكور_داخلي
يوجد مقاسين له (١٨ - ٢٣ ) الافضل والأريح ٢٣ لكنه الاغلى سعراً
#التصميم_الداخلي #تصميم_معماري #ديكور_داخلي
طريقة تثبيته الصحيحه
يثبت على الجدار الاساسي دون التكسير فيه باربعه مسامير اثنان علويه تثبت بالجدار واثنان سفليه تثبت بالصبه ( ارضيه الحمام )
#التصميم_الداخلي #تصميم_معماري #ديكور_داخلي
يثبت على الجدار الاساسي دون التكسير فيه باربعه مسامير اثنان علويه تثبت بالجدار واثنان سفليه تثبت بالصبه ( ارضيه الحمام )
#التصميم_الداخلي #تصميم_معماري #ديكور_داخلي
الذي تكلمنا عليه اليوم هو الكرسي المعلق المرتفع عن الارض
امابالنسبه للكراسي الافرنجي الملاصقه للجدار وعلى الارض مباشره وكذلك الكراسي العربي لو تم تأسيس الخزان داخل الجدار فلا مانع لانها ماعليها حمل
#التصميم_الداخلي #تصميم_معماري #ديكور_داخلي
امابالنسبه للكراسي الافرنجي الملاصقه للجدار وعلى الارض مباشره وكذلك الكراسي العربي لو تم تأسيس الخزان داخل الجدار فلا مانع لانها ماعليها حمل
#التصميم_الداخلي #تصميم_معماري #ديكور_داخلي
الانواع السائده
GROHR
GEBERIT
الاسعار
بعرض متوسط اسعار لكن ممكن تجد اقل وممكن اعلى
١ . الهيكل الشاسيه ( ٦٠٠ - ٦٥٠ ) شامل الضاغط ، والضاغط لوحده سعره في حدود ١١٥
٢ . الكرسي الوطني ( ٤٥٠ - ٧٠٠ )
الاوربي. اعلى من ٢٠٠٠
GROHR
GEBERIT
الاسعار
بعرض متوسط اسعار لكن ممكن تجد اقل وممكن اعلى
١ . الهيكل الشاسيه ( ٦٠٠ - ٦٥٠ ) شامل الضاغط ، والضاغط لوحده سعره في حدود ١١٥
٢ . الكرسي الوطني ( ٤٥٠ - ٧٠٠ )
الاوربي. اعلى من ٢٠٠٠
جاري تحميل الاقتراحات...