Bassam Alshabrawi ⚡️
Bassam Alshabrawi ⚡️

@Bassam_Atif

12 تغريدة 357 قراءة Jan 25, 2021
يختلف منحنى السرعة -العزم (Speed -Torque Curve) باختلاف نوع المحرك واختلاف مبدأ عمله وطريقة التحكم به ، دعونا نستعرض بعض أهم أنواع المحركات وطرق التحكم بها و منحنى السرعة -العزم لكل منها.
@Electric_Engg
#هندسة_كهربائية
1- Variable RMS Voltage of Induction Motor (Soft-Starter)
وفيها تغيير قيمة جهد Vrms باستعمال أجهزة SCRs حيث يتم التحكم بقيمة Alpha كما هو موجود بالصورة أدناه، وكلما زادت قيمة Alpha قل الجهد وقل معه عزم بداية التشغيل مع ثبات السرعة كما بالصورة أدناه.
وسبق أن تحدثت عن آلية تغيير قيمة ألفا في ثريد مستقل هنا 👇🏻
2- VFD (Variable Frequency Drive)
و VFD باختصار شديد هو عبارة عن التحويل من AC إلى DC ثم إلى AC مرة أخرى كما هو موضح بالصورة أدناه ، وبه يتم التحكم بسرعة المحرك بتغيير التردد تدريجيا وكلما زاد التردد زادت سرعة المحرك كما هو مبين بالصور أدناه.
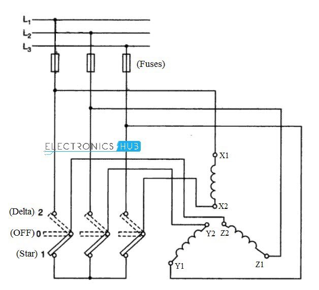
3- Star-Delta Starter
وهي أحد الطرق الشهيرة لتغيير جهد المحرك وبالتالي تغيير عزمه، وذلك عن طريق توصيله في البداية ستار ليبدأ المحرك بجهد الفيز والذي يساوي جهد اللاين مقسوم على جذر ٣ والعزم يساوي عزم بداية التشغيل مقسوم على ٣.
يتبع
ثم بعد فترة زمنية مدتها تقريبا ٧ ثواني يتم استبدال التوصيل من ستار إلى دلتا ليتم إعادة الجهد من فيز إلى لاين وإعادة العزم إلى قيمته الأصلية كما هو مبين بالصورة أدناه (المنحنى الأزرق).
4- Wound Rotor Induction Motor (WRIM)
ويكون العضو الدوار موصل بمقاومات خارجية متغيرة عن طريق الحلقات الانزلاقية (Slip Rings)، وكلما كانت المقاومة أكبر كلما كان عزم بداية التشغيل (Starting Torque) أكبر كما هو مبين بالصورة أدناه.
5- Synchronous Motor
وكما ذكرنا في أحد الثريدات السابقة أن هذا النوع من المحركات يتميز بأن سرعته مساوية للسرعة التزامنية مهما اختلف الحمل، لذا سرعته ثابتة وعزمه متغير بناء على الزاوية بين Br و Bnet والتي تسمى زاوية الحمل، كما بالصور أدناه.
وللرجوع إلى ثريد المحرك المتزامن
6- DC motor (variable armature voltage)
ويتم فيها التحكم بجهد العضو الدوار أي جهد المصدر الرئيسي، سواء بالمقاومة المتغيرة أو حتى بدوائر إلكترونيات القوى، لكن يجب أن يكون الفيض المغناطيسي ثابت، وكلما كان الجهد أكبر كلما زاد عزم بداية التشغيل كما هو مبين بالصورة أدناه.
7- Stepper motor
وفيه يختلف منحنى السرعة -العزم عما ذكر سابقا أن المحور السيني (x-axis) فيه تعطى بنبضة في الثانية (pulses/second)، أيضا لا يوجد عزم بداية التشغيل (Starting Torque)، بل يوجد ما يسمى بـ (Holding Torque).
يتبع
كما هو مبين بالصور أدناه، يوجد منحنيين للمحرك الخطوي، أحدهم pull in والآخر pull out ، ومنطقة العمل المسموحة بها والتي يستقر فيها المحرك هي ما بين هذين المنحنيين والتي تسمى ب (Slew Range).
إنتهى
@Rattibha

جاري تحميل الاقتراحات...