Bassam Alshabrawi ⚡️
Bassam Alshabrawi ⚡️

@Bassam_Atif

10 تغريدة 100 قراءة Dec 23, 2020
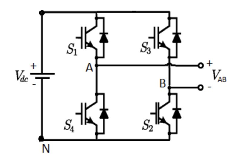
أحد الطرق المستخدمة للتحكم بالعاكس inverter هي طريقة SPWM (Sinusoidal Pulse Width Modulation) ،وهي طريقة تعتمد على مقارنة الموجة الجيبية المطلوبة Reference مع الموجة المثلثية carrier وبناء على نتيجة المقارنة يتم إطلاق نبضة Pulse أو لا، وسنتحدث عنها باختصار.
@Electric_Engg
ويوجد منها نوعين للانفيرتر الاحادي الطور (Single phase inverter) وهي Unipolar و Bipolar، سنتحدث عن كل نوع منهما.
1- Bipolar Single Phase Inverter
وسميت بذلك لأن الموجة الناتجة منها سواء الأول (من 0 إلى pi) أو الثاني (من 180 إلى 2pi) موجبة وسالبة في النصف الواحد وتحتوي على موجة جيبية وموجة مثلثية، وطريقة عملها كالآتي :
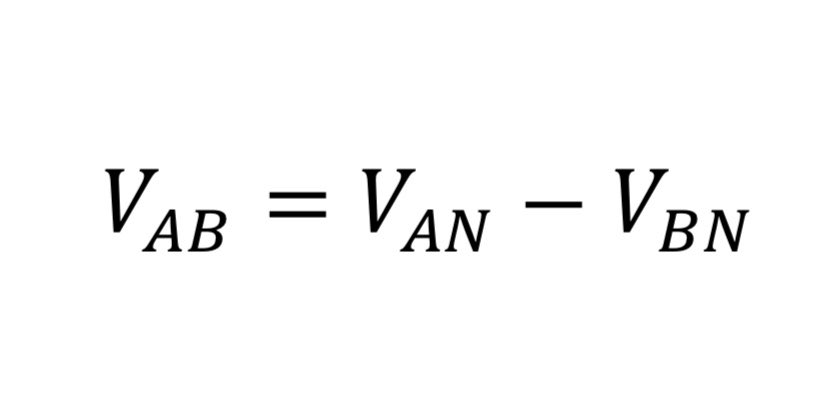
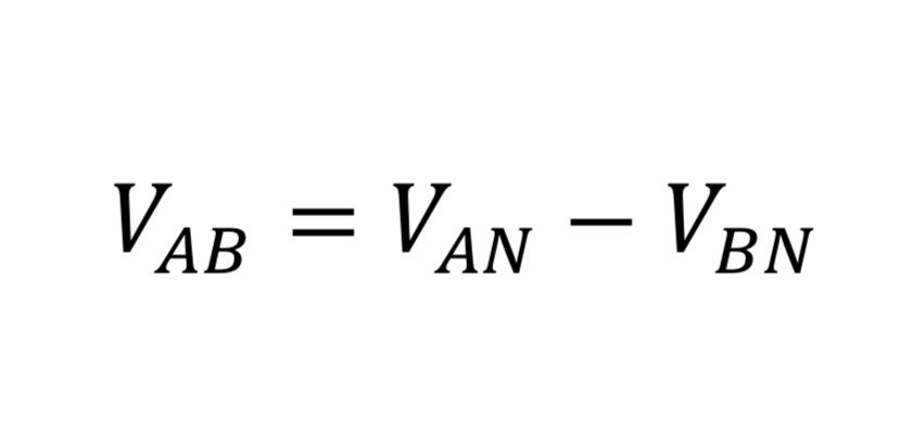
إذا كانت الموجة الجيبية أكبر من الموجة المثلثية فإن VAN ON و VBN OFF، أما إذا كانت الموجة الجيبية أصغر من الموجة المثلثية فإن VAN OFF و VBN ON ، ومن ثم يتم طرح الموجتين لإيجاد VAB كما بالصور أدناه.
2- Unipolar Single Phase Inverter
وسميت بذلك لأن الموجة الناتجة منها في النصف الأول (من 0 إلى pi) والثاني (من 180 إلى 2pi) ستكون إما موجبة أو سالبة وتحتوي على موجتين جيبية (+vr و -vr) بينهما زاوية pi وموجة مثلثية، وطريقة عملها كالآتي :
لدينا موجتين جيبية vr+ و vr-، سنأخذ vr+ ونترك vr- ونقارنه بالموجة المثلثية وبناء على المقارنة VAN ستكون ON أو OFF ، ثم سنأخذ vr- ونترك vr+ ونقارنه بالموجة المثلثية وبناء على المقارنة VBN ستكون ON أو OFF، ومن ثم نطرح الموجتين لإيجاد VAB، ستتضح الطريقة أكثر في التغريدات القادمة.
لنبدأ ب vr+، إذا كانت الموجة الجيبية أكبر من الموجة المثلثية فإن VAN ON ،أما إذا كانت الموجة الجيبية أصغر من الموجة المثلثية فإن VAN OFF.
وبالنسبة ل vr-، إذا كانت الموجة الجيبية أكبر من الموجة المثلثية فإن VBN ON ،أما إذا كانت الموجة الجيبية أصغر من الموجة المثلثية فإن VBN OFF.
ومن ثم يتم طرح الموجتين لإيجاد VAB، وتقريبا ملخص ما ذكرناه عن Unipolar هو كما بالصور أدناه.
كما ذكرت في أول تغريدة، هذه هي طريقة SPWM باختصار، إذا أحببتم الإطلاع عن الموضوع أكثر هناك ورقة علمية رائعة عن هذا الموضوع بالتفصيل وهي بالرابط أدناه.
google.com
انتهى.
@Rattibha
#هندسة_كهربائية

جاري تحميل الاقتراحات...