Bassam Alshabrawi ⚡️
Bassam Alshabrawi ⚡️

@Bassam_Atif

17 تغريدة 490 قراءة Aug 11, 2020
يعد أحد أشهر أنواع المحركات الكهربائية والذي أحدث نقلة نوعية في عالم المحركات، والأكثر استخداما في المصانع وذلك لكفائته العالية وبساطة مكوناته، إنه المحرك الحثي Induction Motor، دعونا نتعرف عليه وعلى طريقة عمله باختصار في هذا الثريد.
#هندسة_كهربائية
هو محرك غير متزامن يعمل بالتيار المتردد AC، وكما نعلم أن المحرك المتزامن والغير متزامن يتشاركان في العضو الثابت ويختلفان في العضو الدوار ،والعضو الثابت عبارة عن حديد مغناطيسي يتم تصنيعها على شكل شرائح متراصة(laminations)، وذلك لتقليل مفاقيد التيارات الدوامية(eddy current).
ويتكون أيضا بالطبع من الملفات التي تتغذى بتيار AC لتوليد مجال مغناطيسي متغير (دوار)، ويتم تكوين زوج واحد من الأقطاب إذا كان يعمل بنظام single phase، وإذا كان يعمل بنظام there phase، فإنه سيكون لدينا ٣ أزواج من الأقطاب يتم إنتاجها من ملفات يفصل بينهم ١٢٠ درجة.
وبالنسبة للعضو الدوار في المحرك الغير متزامن، فيوجد نوعين منها وهي :
١- قفص السنجاب (Squirrel Cage).
٢- أسلاك ملفوفة (Wound) ويسمى أيضا بذو الحلقات الانزلاقية (Slip Rings).
وسنتحدث عن النوع الأول والأشهر.
قبل أن نتحدث عن النوع الأول من العضو الدوار، هناك معلومة تخص المحرك الحثي، وهي أن سرعة دوران المجال المغناطيسي للعضو الثابت لا تساوي سرعة دوران المجال المغناطيسي للعضو الدوار،ولن تصل إلى سرعتها أبدا،والفرق بينهما يسمى سرعة الانزلاق(Slip)، ويتم حساب معامل الانزلاق كما هو مبين هنا.
Squirrel Cage Induction Motor (SCIM)
هي عبارة عن مجموعة من قضبان النحاس أو الألومنيوم متصلة معا بواسطة حلقتين لكل طرف من أطراف القضبان كما هو موجود بالصور أدناه ،و سمي بقفص السنجاب لأنه يشبه فعليا القفص الذي يلعب فيه السنجاب.
ويوجد منه نوعين، أحدهم يعمل على نظام three phase والآخر يعمل على نظام single phase، وسنتحدث عن النوع الأول.
لكي تتولد حركة في المحرك نمر بمرحلتين رئيسيتين هما :
١-توليد تيار يمر في أطراف القضبان ويتم ذلك بالآتي:
١-مرور تيار AC في العضو الثابت والذي ينتج مجال مغناطيسي متغير.
٢-بما أنه لدينا مجال مغناطيسي متغير وقضبان ثابتة إذن سيتولد جهد داخل القضبان ومن ثم تيار حسب قاعدة اليد اليمنى.
٢-توليد حركة دورانية ويتم ذلك بالآتي:
١- بعد أن أصبح لدينا تيار ومجال مغناطيسي متغير سينتج عن ذلك قوة وبالتالي يصبح لدينا حركة حسب قاعدة اليد اليسرى .
٢- في الوسط سيكون هناك عامود(Shaft) مصنوع من مادة قابلة للمغنطة (ferromagnetic)، وذلك لإكمال الدائرة المغناطيسية لكي تدور .
قاعدة عامة: إذا كان المحرك يعمل لتوليد الجهد والتيار استخدم قاعدة اليداليمنى، أما إذا كان يعمل لتوليد حركة استخدم قاعدة اليد اليسرى.
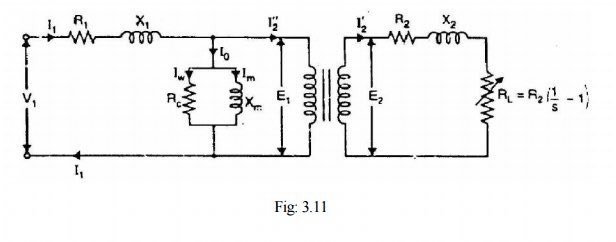
عند النظر إلى الدائرة المكافئة سنجده يشبه جدا الدائرة المكافئة للمحول، وذلك لأنهما يتشابهان في أن كلاهما يعملان بمبدأ الحث الكهرومغناطيسي، وهي كما مبينة بالصورة أدناه.
ملاحظة :هذه الدائرة فقط لطور واحد من الأطوار الثلاثة، لذا عند حساب المفاقيد نضرب الرقم في ٣.
بطبيعة أي آلة أو جهاز كهربائي فإنه يوجد مفاقيد تقلل من كفاءتها، وعند النظر إلى الدائرة المكافئة فإننا نستطيع تلخيص هذه المفاقيد كالتالي :
١- مفاقيد أسلاك العضو الثابت
Stator Copper Losses (Pscu)
٢- مفاقيد القلب الحديدي
Core Losses (Pc)
٣- مفاقيد قضبان العضو الدوار
Rotor Copper Losses (Prcu)
٤- مفاقيد التحويل من الطاقة الكهربائية إلى الطاقة الميكانيكية وتشمل مفاقيد الاحتكاك ومقاومة الهواء.
٥- مفاقيد أخرى تشكل تقريبا ١% من المفاقيد، كتلك المفاقيد التي تنشأ نتيجة التوافقيات(harmonics)
Stray Losses (Pstray)
ونستطيع تلخيص جميع المفاقيد التي ذكرناها في الشكل المبين أدناه.
عند النظر إلى الصورة أدناه، سنجد أنه يمكننا تقسيم عزم المحرك إلى :
1- Starting Torque
وهو العزم الذي يتطلبه المحرك لبداية تشغيله وقيمتها عالية، وبالتالي سيتطلب تيار كبير لبدء تشغيله، وهذا أحد عيوب المحرك الحثي.
2- Pullout Torque
و يسمى أيضا بعزم الإنهيار (Breakdown Torque) وهو العزم الذي إذا تم تجاوزه سيتوقف المحرك عن العمل.
3- Full load Torque
ويسمى أيضا بالعزم المقنن (Rated Torque)، وهوالعزم الذي يعمل فيه المحرك عند توصيله بالحمل.
ختاما، لفهم واستيعاب الموضوع أكثر، اقرأ هذا الثريد ثم شاهد هذا الفيديو وحاول الربط بينهما.
انتهى
@Rattibha
youtu.be

جاري تحميل الاقتراحات...