Bassam Alshabrawi ⚡️
Bassam Alshabrawi ⚡️

@Bassam_Atif

9 تغريدة 49 قراءة Jul 25, 2020
لكي نولد كهرباء بنظام AC، نقوم بتدوير التوربينة والتي تمثل العضو الدوار للمولد بطرق مختلفة، سواء بالبخار أو الغاز الطبيعي أو غيرها من الطرق، والسؤال الذي يخطر بالبال هو مالذي يحدث داخل المولد كي تتولد الكهرباء؟
هذا ما سنتحدث عنه من خلال هذا الثريد باختصار شديد .
@Electric_Engg
تنقسم مولدات AC إلى قسمين هما :
1- المولد المتزامن
2- المولد الغير متزامن
وجميعهم يشتركون في العضو الثابت، والاختلاف بينهما يكون في العضو الدوار، وفي حديثنا سنركز على القسم الأول والمستخدم بكثرة، وهو المولد المتزامن.
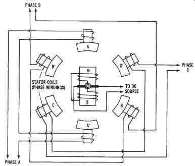
يتكون المولد المتزامن من عضو دوار وعضو ثابت، والعضو الدوار عبارة عن عامود التوربينة محاط بملفات يتم تغذيتها بالتيار المستمر عن طريق حلقتي انزلاق (slip rings) لإنشاء مجال مغناطيسي ثابت، أما العضو الثابت عبارة عن ملفات تقوم باستقبال المجال المغناطيسي الناتج من العضو الدوار.
عندما يبدأ العضو الدوار بالدوران وعند وصوله للسرعة المطلوبة، نقوم بتغذية ملفاته بتيار DC لإنشاء مجال مغناطيسي ثابت، ومع دوران العضو الدوار يدور معه المجال المغناطيسي بنفس سرعة دوران العضو الدوار، ولهذا سمي بالمولد المتزامن.
الآن وبعد أن دار المجال المغناطيسي الثابت، أصبح لدينا مجال مغناطيسي وحركة، وبالتالي سيتولد الكهرباء في ملفات العضو الثابت، وعندما يكمل المجال المغناطيسي دورة كاملة، فإننا ستحصل على طور (phase) واحد AC وبحكم أننا نقوم بتوليد three phase ، فسيكون لدينا ٣ ملفات وبين كل ملف ١٢٠ درجة.
ويمكننا حساب قيمة التردد للطور الواحد باستخدام العلاقة التالية :
f=(P)(N) /120
P: عدد الأقطاب
N: سرعة الدوران وتعطى قيمتها بوحدة سرعة في الدقيقة (rpm).
مما سبق نستنتج أن :
١- عدد الأقطاب في الطور الواحد هو ٢.
٢- بمعلومية التردد وعدد الأقطاب، نستطيع أن نحسب سرعة الدوران، وقيمتها هي:
(60 hz) << 3600 rpm
(50 hz) << 3000 rpm
٣- بما أن الزاوية بين كل ملفين في العضو الثابت ١٢٠ درجة، إذن زاوية الجهد بين كل طور هي ١٢٠ درجة.
لكي يتضح لك الموضوع أكثر، اقرأ هذا الثريد ثم شاهد هذا الفيديو وحاول ربط ما قرأته بالفيديو.
انتهى
@Rattibha
#هندسة_كهربائية
youtu.be
@muh_alzahrani @Electric_Engg لذا اعتقد والله أعلم أن كلاهما تقريبا بنفس الكفاءة

جاري تحميل الاقتراحات...