Bassam Alshabrawi ⚡️
Bassam Alshabrawi ⚡️

@Bassam_Atif

11 تغريدة 9 قراءة Jul 22, 2020
في أنظمة الطاقة الشمسية الغير متصلة بالشبكة، يتم تفريغ البطارية في حال عدم وجود المصدر الرئيسي،لكن البطارية تعمل بنظام DC والأحمال AC، فما العمل؟
هنا نستعمل الجهاز الشهير العاكس (Inverter)، وفي هذا الثريد سنتعرف عليه وعلى طريقة عمله باختصار .
@Electric_Engg
#هندسة_كهربائية
Inverter
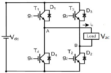
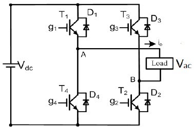
هو جهاز يعمل على التحويل الجهد والتيار من نظام DC إلى نظام AC، وذلك عن طريق التحكم بأربعة ترانزستورات كمفاتيح ON/OFF ، ويعمل أيضا على التحكم بالتردد وذلك عن طريق التحكم بزمن فتح وإغلاق الترانزستورات، ودائرتها الكهربائية موجودة بالصورة أدناه.
هناك أكثر من طريقة لتصنيف العاكس، ف بإمكاننا تصنيفها مثلا على عدد الفيزات وهي :
1- Single phase inverter
2- Three phase inverter
أو على نوع الحمل الموصل به ومنها :
1- R load
2- RL load
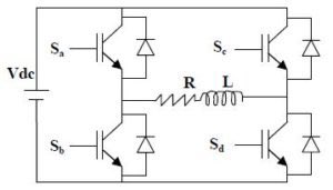
وغيرها من التصنيفات، وفي حديثنا سنركز على أشهرهم وهو Single phase inverter RL load.
كما نرى بالصورة أدناه، الدورة الواحدة تتكون من موجة مربعية موجبة، وموجة مربعية سالبة، لتوليد الموجة الموجبة، نقوم بتشغيل ١ و ٢ واطفاء ٣ و ٤، ولتوليد الموجة السالبة نقوم بعكس ما فعلناه بالموجة الموجبة، أي نقوم بتشغيل ٣و ٤ واطفاء ١ و ٢ كما هو موضح بالصور أدناه.
لكن هذه الموجة التي ستنشأ ليست عملية إطلاقا، لأنها تحوي تشوهات واضحة، لذا ما العمل؟
هناك طرق كثيرة جدا للتخفيف من التشوهات، وأحد هذه الطرق هي الحصول على موجة محسنة ذو تشوهات أقل مثل التي بالصورة أدناه
قبل أن نعرف طريقة الحصول عليها ، أود أن أوضح لماذا في العاكس نستعمل الترانزستورات الموصلة بدايود والموجود بالصورة أدناه ولا نستعمل الترانزستور العادي؟
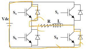
لأسباب كثيرة، أحدها في RL load في حال تفريغ الملف للطاقة التي تم شحنها ، سيتم تفريغه بالاتجاه المعاكس لشحنه، لذا سيستعمل الدايود لتفريغ الطاقة كمسار للتفريغ كما هو موضح بالصورة أدناه ، وهذا النوع من الترانزستور يسمى bi-directional transistor .
أحد المعلومات الخاطئة التي سمعتها مؤخرا هي أنه لجعل الجهد صفر، نقوم بإطفاء جميع المفاتيح، لكن هذا غير صحيح، إذن ما الذي سيجعل قيمة الجهد صفر دون إطفاء جميع المفاتيح؟
يتم إطفاء واحد من المفتاحين اللذان يعملان في الموجة الواحدة حسب اتجاه تيار الحمل والموضح بالصورة أدناه ،لكن ما الفائدة من ذلك؟
بالنظر إلى الصورة أدناه سنجد أن جهد الدائرة في حال إطفاء واحد من المفتاحين يساوي جهد الدايود زائد جهد الترانزستور والذي يساوي تقريبا صفر.
هذا بالنسبة لطريقة جعل الجهد صفر، وبالنسبة للموجتين الموجبة والسالبة فكما ذكرت سابقا، لتوليد الموجة الموجبة نقوم بتشغيل Sa و Sd واطفاء Sc و Sb، ولتوليد الموجة السالبة نقوم بتشغيل Sc و Sb واطفاء Sa و Sd، وبهذه الطريقة نحصل على الموجة المعدلة.
يتطور العاكس بشكل ملحوظ جدا، وذلك لكثرة تطبيقاته، سواء المستخدمة حاليا أو التطبيقات التي سيكون لها مستقبل واعد، ومن تطبيقاته:
١- أنظمة الطاقة الشمسية
٢- السيارات الكهربائية
٣- أنظمة UPS
انتهى
@Rattibha

جاري تحميل الاقتراحات...