Bassam Alshabrawi ⚡️
Bassam Alshabrawi ⚡️

@Bassam_Atif

8 تغريدة 66 قراءة Jun 26, 2020
في حال إن أردنا تحويل جهد AC من قيمة إلى أخرى نستعمل AC Transformer، لكن ماذا في حال إذا أردنا فقط تغيير التردد أو تغيير قيمتي Vrms والتردد مع المحافظة على قيمة Vmax أو تغييرها؟
هنا نستعمل AC/AC CONVERTER، وفي هذا الثريد سنتعرف عليه بشكل بسيط.
@Electric_Engg
AC/AC CONVERTER
هي دائرة من دوائر إلكترونيات القوى تعمل على تحويل موجة AC إلى موجة AC أخرى في مرحلة واحدة، أي دون المرور ب DC، ويمكن تصنيفها إلى:
1-Voltage Controller
2-Cycloconverter
وفي هذا الثريد سنتحدث فقط عن الدائرة الأولى، وسنتحدث عن الدائرة الثانية في ثريد آخر بإذن الله.
Voltage Controller
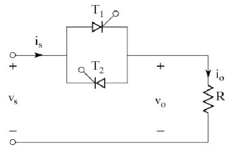
وهي دائرة من دوائر AC/AC CONVERTER تعمل على تغيير قيمة Vrms دون تغيير التردد، وذلك عن طريق التحكم باثنين من SCRs موصلين على توازي ومعكوسين بالاتجاه كما هو موجود بالصورة، وفي بعض الأحيان يستعمل Triac بدلا من اثنين من SCRs.
كما نعلم، موجة AC تتكون من نصفين، أحدهم موجب والآخر سالب، وكل SCRs مسؤول عن التحكم بأحد الموجتين، ف T1 مسؤول عن النصف الموجب عن طريق التحكم بزاوية التشغيل(firing angle)، بينما T2 مسؤول عن النصف السالب أيضا عن طريق التحكم بزاوية التشغيل، كما هو موجود بالصورة أدناه.
لإيجاد قيمة Vrms في موجة AC الكاملة، نكامل الفترة كاملة تربيع ، أي من 0 إلى 2pi ونقسمها على الفترة كاملة الكل تحت الجذر، كما في الصورة أدناه.
لكن في AC Voltage Controller الوضع مختلف، نكامل فقط الفترات التي مر بها التيار الكهربائي تربيع ونقسمها على الفترة كاملة الكل تحت الجذر، كما في الصورة أدناه.
كما رأينا في التغريدتين السابقتين، قيمة Vrms في موجة AC العادية لا تساوي قيمة Vrms في موجة AC Voltage Controller، وبذلك استطعنا تقليل قيمة Vrms دون تغيير التردد.
أحد أشهر تطبيقات AC Voltage Controller هو dimmer circuit والموجود بالصورة، حيث يتم التحكم بشدة الإضاءة عن طريق التحكم بقيمة المقاومة، فكلما زادت المقاومة قلت قيمة Vrms والعكس صحيح.
انتهى
@Rattibha

جاري تحميل الاقتراحات...