م/ عمر بن عبدالله الربيعة
م/ عمر بن عبدالله الربيعة

@Omar_Rabiah

49 تغريدة 555 قراءة Jan 31, 2020
-المُختصَر في توليد الطاقة الكهربائية و نقلها-
كثيرا ما تحدثنا عن هذه الموضوع بتغريدات متفرقة، لكن تسهيلا للقراءة، سنضم كثيرا منها في هذه السلسلة، بدءًا من التوليد إلى النقل فالوصول إلى المستهلك..
السلسلة متجددة، و تنتظر إسهامات الزملاء المهندسين.
#هندسة_كهربائية.
كل الشبكات الكهربائية في العالم بلا أي استثناء، تولد جهدا مترددا و الذي يسبب تيارا مترددا alternating current، عكس ما كانت عليه قديمًا إذ كانت بالبداية تولد تيارا مستمرا DC. أول مدينة غُذيت بالكهرباء كانت نيويورك الأمريكية.
حكاية التغيير بين DC to AC كانت في أولى المدن التي تغذت بالكهرباء، و بحكم أن المولدات تكون خارج المدينة وُجد أن كثيرا من الطاقة تُستنزف قبل الوصول؛ هذا جعل من المهندسين و علماء هذا المجال يبتدعون طريقة جديدة تتمثل برفع الجهد حين النقل و تخفيضه بالوصول إلى المستهلك.
و بينما رفع الجهد و تخفيضه لا يتأتى مع الـDC، تم الانتقال إلى AC. مع العلم أن هذه ليست الميزة الوحيدة للأخير، فتصميم معدات سلامة و قواطع و جودة مولدات AC أفضل بكثير من DC، توليد التيار المستمر شبه انقرض تماما، ولم يعد له أي تطبيق إلا في المولدات الكهربائية للسيارات وقد يُتخلص منه
تولد الطاقة الكهربائية في مدى ما بين 11kV-36kV،ثم عن طريق المحول الكهربائي transformer يتم رفع الجهد إلى مستويات عليا جدا. هنا في السعودية يُرفع إلى 380kV،بعض الدول تصل إلى أرقام أكثر بكثير مثل 1000kV، و كلما رُفع الجهد قل التيار و بالتالي قل الفقد في الموصلات قبل الوصول للمستهلك
و بالتالي كان أوفر للمزود، و لذلك جاء مثلا إلغاء جهد 110v لدينا في السعودية، و الاكتفاء بجهدي 230-400 فولت.
تولد الطاقة الكهربائية على ثلاث متجهات phases، و ذلك لفعالية نقل طاقة أكبر. لم لا يكون أكثر من ثلاثة؟
اقتصاديًا ثلاثة أفضل من أربعة أو أكثر.
يكون شكل التوليد الخارج من المولد على شكل Y. ثلاثة جهود بنفس القيمة و مختلفة الزاوية، و خط رابع خارج من المولد متعادل. يسمى كل واحد من الثلاثة L1 L2 L3 أحيانا بالـ " حار " ، و المتعادل Neutral بالبارد.
بالحديث عن توليد الطاقة المترددة، فإن التيار المار في الشبكة يتردد في الثانية الواحدة بحسب قيمة التردد. في السعودية و أمريكا دول أخرى يكون التردد بقيمة 60هيرتز، و بقية العالم 50 هيرتز. يعود سبب أن التوليد في السعودية بهذا التردد إلى أن بدايته كانت مع الشركة الأمريكية آنذاك أرامكو
و بالطبع توسعت شيئا فشيء إلى أن شملت كافة أرجاء المملكة. ولا يمكن على الإطلاق أن يتم ربط شبكتين مختلفتين التردد،و هذه من العقبات في توصيل شبكة كهرباء السعودية بدول الخليج مثلا،إذ تحتاج السعودية عملا إضافيا بتحويل الكهرباء أولا إلى DC،ثم إلى AC بالتردد المناسب للشبكة الأخرى والعكس
لو دققنا النظر في موصلات النقل الكهربائي بجهد عالٍ، فسنجد أن كل واحدٍ منها مقسم لأربع موصلات صغيرة bundle. يعود السبب إلى أن الهواء لما يلامس جهود كهربائية عالية جدا يتعرض إلى التأين في ظاهرة تسمى كورونا corona، كورونا آخر 😅يسبب مفاقيد في الطاقة المنقولة.
و هذه الوسيلة المتبعة تهدف إلى تقليل السطح الإجمالي للموصل الملامس للهواء. ماذا لو تلامست هذه الموصلات مع بعضها، ماذا سيحدث؟
لن يحدث شيء، فقط ظاهرة كورونا سيزيد أثرها الإجمالي في الشبكة.
في الصورة أدناه محول كهربائي لـ(فيز) واحد و شكله بسيط، في الصورة الثانية المحول ذاته لكن لثلاثة (فيز)، يستخدم الحديد في قلبه، و ذلك لأن الحديد أفضل مادة لتوصيل الفيض المغناطيسي.
بالنسبة إلى جميع الموصلات بالشبكة الكهربائية فإن المعدن المستخدم للتوصيل هو الألومونيوم، و رغم أنه أعلى مقاومةً من النحاس -أي مفاقيد أكثر- إلا أنه هو المستخدم؛ السبب إلى أن عامل التكلفة فالنحاس أعلى ثمنا من الألومونيوم. غالبا نعوض زيادة مقاومة مقاومة الألومونيوم بزيادة قطر الموصل
و يكون شكل موصل الألومونيوم بهذا الشكل، فهو بصورة عميقة ليس موصلا واحدًا، بل عدد كثير من الموصلات الأسطوانية. يعود سبب ذلك إلى ظاهرة skin effect، إذ سيكون التيار في محيط الأسطوانة لا جميعها.
في وسط (الكيبل) مادة Steel لتعطي الموصل ككل مواصفات ميكانيكية من ناحية الشد و القوة.
مع العلم ولو أنه خارج موضوع السلسلة الأساسي، أن جميع المواد الموصلة كالألومنيوم و النحاس تزيد مقاومتها مع ارتفاع درجة حرارتها، و كذلك أشباه الموصلات. المواد الغير موصلة فإن علاقتها مع الحرارة معاكسة، فمقاومتها للتيار تقل بزيادة حرارتها.
فكرة التوليد الكهربائي بالأساس تقوم على مثلث الأساس، و أركانه: مجال كهربائي، مجال مغناطيسي، حركة. فأي اثنان منهما يعطيان الثالث. في التوليد فإن مجالا مغناطيسيا يعطى في ظل وجود حركة ثابتة ليعطياني مجالا كهربائيا فتيارا. المحركات نعطيها مجالا مغناطيسيا و كهربائيا فتعطينا حركة.
بالنسبة إلى الحركة فيجب أن تكون ثابتة، و تختلف طرق إيجادها. من الدول تستخدم وسائل طبيعية كسدود الأنهار، في السعودية لعدم وجود أي من الوسائل الطبيعية نستخدم مشتق بترولي، نقوم بحرقه لتسخين الماء و ببخار الماء نحرك (التوربينات).كذلك المحطات النووية،فبشطر ذرة اليورانيوم،نسخن الماء.
و بين المقارنة ما بين (الكيابل) الأرضية و الهوائية، نقول أن الهوائية:
- أسهل بالصيانة.
- أطول عمرًا.
- أرخص تكلفةً في الإنشاء.
و أما الأرضية فإنها تفضل عن الهوائية أنها أكثر سلامة لما حولها، و تساهم في تحسين المنظر العام للمنطقة. لذلك، لا تكون خطوط النقل الهوائية في وسط المدن.
توليد الـDC بالطرق التقليدية يكاد يكون منقرضا فعلا،لكن نقل الكهرباء عن طريقه ليس كذلك! فنقل التيار المستمر يكون مجديا في المسافات الطويلة،تقريبا 300km فأكثر،إذ نستفيد منه:
- مقاومة (الكيابل) أقل،لعدم وجود ظاهرة skin effect.
- عدم وجود محاثة طبيعيةinductance ولا سعوية capacitance
فلا محاثة مغناطيسية بين كل (فيز) و آخر، ولا وجود لتيار متسرب إلى الأرض، لأن تردد موجة التيار المارة تساوي صفرًا. بالتالي لا C، ولا L مؤثرة. أيضا في خطوط نقل التيار المستمر، لن نحتاج إلى ثلاث موصلات، إنما فقط موصلين لإكمال الدائرة فقط!
خطوط نقل التيار المستمر تبدو حاجة ماسة إن احتجنا إلى وضع (الكيابل) تحت البحر، أو إن أردنا ربط شبكتين مختلفتي التردد، أو من منطقة لأخرى و لم نحتج إلى تغذية أحمال ما بينهما، فقط نقل بمسافة 300km فأكثر.
التحويل من AC إلى DC يسير جدا، و موجود لدى كل جهاز رقمي محول من هذا النوع. الصورة أدناه شكل الجهاز.
لكن المشكلة أن التحويل بالعكس ليس بهذه السهولة، و هذا يخلق الصعوبة. أيضا تصميم أجهزة الحماية و القواطع بالنسبة للـDC أكثر تعقيدا من مثيلاتها الموجودة للتيار المتردد AC.
مساهمة من المهندس الزميل:

* سهوا بالخطأ ذكرت أن مقاومة أشباه الموصلات تزيد مع زيادة درجة الحرارة، و الصحيح أن مع زيادة درجة الحرارة تقل المقاومة.
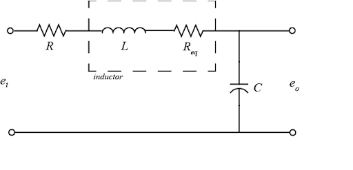
في حالة استخدام التيار المترددAC، تظهر لنا عناصر طبيعية تدعى بالمكثفاتC و الملفاتL،وتصنع لأغراض صناعية.ينتج منها طاقة تخيلية غير حقيقية،هي تسبب فقدا في الجهد، و تستهلك كمًا من القدرة المرسلة من المزود. و الملف و المكثف ذو قيمتين متضادتين، بمعنى أن ممانعة المكثف سالبة،والملف موجبة
لذلك نحرص في لما تكون الأحمال لدينا ذات طبيعة ملفية، أن نضيف لها في الخط أحمال سعوية تماثلها بالممانعة،ولأن ممانعة المكثف سالبة و الملف موجبة؛ يحذفان بعضهما البعض من الدائرة.
هذا سيقلل من الجهد المهدر و القدرة المقدرة، ويقلل من التيار أي عرض مقطع أسلاك أصغر، بذات القدرة الحقيقية!
و هذا ما يسمى بتصحيح معامل القدرة power factor، الذي تلزم به الشركات المزودة القطاعَ الصناعي. إذ و بحكم المتعارف عليه تكون أطباع الأحمال دائما ذات طابع ملفي، فيضاف على تلك الأحمال مكثفات على التوازي لتحسين معامل القدرة لأجل أن يقترب من 100%.
مع العلم أن القطاع الصناعي رغم الإلزام بتحسين معامل القدرة فإنه محاسب بالفاتورة عن الطاقة التخيلية و التي لا يستفيد منها، و على عكس القطاع السكني فإنه ليس محاسبا عنها؛ لضئالة الأحمال التخيلية في البيوت عادةً.
في الحديث العام عن شبكات الطاقة، لا بد لنا أن نتعرف على مفهوم مهم جدا و هو التأريض، وهو ضروري لكل الأبنية، و أحد الاحتياجات للسلامة، و الذي للأسف مُهمل في كثير من بيوتنا إذ لا يقيم المقاول الذي يبني وزنًا له، أو يهمل العناية به، و يجهل كثير من الناس أهميته البالغة.
لمست بيدك جهازا ملتمسًا [أي موصول كهربائيًا] كما بالشكل أدناه و كان الجهاز مؤرضًا بشكل جيد، فإنك ستكون بالنسبة للتيار مقاومة متصلة بالأرض، و معك مقاومة أخرى على التوازي هي مقاومة التأريض. التيار سيختار المقاومة الأقل بالقيمة، و في الأحوال الافتراضية مقاومة التأريض قليلة جدا جدا!
بالتالي سيمر التيار في مقاومة التأريض لا في جسدك، و هذا سيحميك بإذن الله. و قيمة التيار المار بجسدك يمكن تخمينها باستخدام قانون كيرشوف للتيار KCL.
التأريض يبدأ مع بناء المنزل، إذ لا يكتفى بالتوصيل بالأرض، بل يحرص على أن تكون القضبان المستخدمة من النحاس لتكون أقل مقاومة ممكنة.
أيضا كلما زادت مقاومة الأرض المحيطة بالقضبان، فإنها تكون أعمق، و يتم ملء التربة ما حولها بأملاح لتقليل المقاومة. ثم ترتبط شبكة المنزل الكهربائية بشبكة التأريض داخل المنزل، و مع كل مقبس كهربائي. أحيانا مع التربة الرملية تظهر إشكالات للتأريض، و مع زيادة القضبان فإن المقاومة تقل.
لاحظ الشكل المرفق لمقبس كهربائي، و الذي بالمواصفات المحددة من قبل هيئة المواصفات و المقاييس. لاحظ وجود التأريض في الأعلى، و الذي أشرنا إلى جدواه،و الذي يفترض أن يكون موصولا مباشرة إلى شبكة التأريض المدفونة في الأرض. للأسف كثيرا لا تكون شبكة التأريض أصلا موجودة بالكلية!
كيف يكون جهاز ملتمسا؟
هناك دائرة كهربائية معينة داخل الجهاز، و الغلاف من معدن و غالبا سبيكة، أي من مخليط مواد يكون لأحدها أو بعضها قابلية لتوصيل التيار. نتيجة لارتخاء أسلاك داخلية، أو بفعل الطرق على الجهاز، تلمس أحد الأسلاك الغلاف الخارجي.
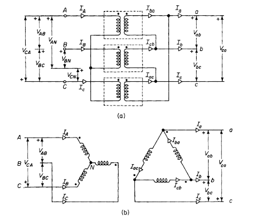
في الصورة المرفقة أحد أبراج النقل الكهربائي، ولقد وضحت عليه المعالم الكبرى فيه. لقد عرَفنا سابقا أن التوليد يكون ثلاثي أطوار (ثري فيز) و على شكل Y، فهل ما نراه فعلا على خطوط التوليد هي موصلات Y ؟
فعليا نحن لا نرى أي Y، بل كل ما نراه محمولا على الأبراج هي توصيلات Δ. إذ في أول نقطة تحويل جهد بعد التوليد، و التي نرفع بها الجهد إلى 380kV كما في النظام بالسعودية، فإننا نغير شكل الدائرة من Y إلى Δ، ويعود هذا إلى أننا في حالة Y فإننا سننقل معنا المتعادلN، و هذا مُكلف بلا حاجة .
و يستمر هذا الشكل على طول الخط الكهربائي حتى آخر محطة تحويل جهد عند المستهلك، فيتم تغيير الشكل من Δ إلى Y. يعود السبب إلى:
- توصيلة Δ تتطلب تساوي الأحمال على كل (فيز)، و ذلك مستحيل واقعيا، بينما Y تقبل الاختلاف.
- المستهلك يحتاج أكثر من قيمة جهد، مثلا: 230 و 400 فولت.
في الحالة المثالية حيث تكون الأحمال متساوية، فإن التيار الراجع في Neutral او المسمى " بارد " يكون صفرا، لكن هذا لا يمكن أن يكون واقعيا، لذلك تكون قيمة التيار الراجع قليلة في الأحوال الطبيعية. و هذا يشترط أن يكون توزيع الأحمال على كل فيز بنسبة 33%.
من الأخطاء الحياتية في مسألة توزيع الأحمال، أن الكهربائي يوصل غالب أحمال المنزل على طورين (فيزين) فقط و يترك الثالث بحمل بسيط. هذا سيسبب زيادة التيار في أسلاك هذين (الفيزين) و تهالك سريع فيها، و كثيرا ما يؤدي هذا إلى انقطاعات تيار.
عودة إلى هذه الصورة الجميلة، تحدثنا عن الأطوار الثلاثة، ماذا عن Grounding؟
منعا للبس نقول أولا أنه ليس المتعادل Neutral، و هو موضوع لتأريض البرج و أيضا أن يكون درعًا له من الصواعق التي إن ضربت موصلا ستحرقه كاملا إلى أقرب عنصر حماية.
من الأمور المحزنة و التي أفادني علمها، شكوى رجل أنه كلما لامس جهازا كهربائيا في شقته فإن كهرباء تفرغ فيه بشيء قليل، و هذا دائم مع كل الأجهزة. السبب أن الكهربائي البليد الذي قام بتوصيل الكهرباء لديه قد وصل جهازا أو أكثر بين (فيز) و الأرضي، و المفترض بين (فيز) إلى المتعادل.
ماذا أنتج هذا الخطأ؟
أصبح الجهاز الذي وصِّل بين (الفيز) و الأرضي يفرغ الكهرباء بشكل دائم في الأرض، و ما إن تلمس جهازا آخر، فإنه أيضا موصل بالأرض، فتتلقى أنت أيضا نسبة معينة من التيار الكهربائي التي ولو كانت قليلة، لكن تكفي لتشعر بها و تتأذى من استدامتها حولك.
حجم الأحمال الكهربائية يجب و يجب أن يساوي حجب القدرة الكهربائية المولدة، و النسبة بينهما تنعكس على التردد. فلو كان نظامنا 60 هيرتز كما الآن في السعودية، و ارتفعت قدرة التوليد جدا على الأحمال فسيرتفع التردد مما يخلق مشاكل لا حصر لها خاصة في القطاع الصناعي.
بينما لو حدث العكس و هو الأكثر شيوعا فانخفضت قدرة التوليد على الأحمال فإن التردد العام للشبكة سينخفض، و شيئا فشيء ستبدأ المحطات بالخروج تباعا من الشبكة حتى تنطفئ بشكل كامل (black out). تنخفض قدرة التوليد عادةً بسبب خروج محطة توليد فجأة من الشبكة مما يخلق فرقا و حالة عدم اتزان.
لذلك نلاحظ أن مزود الخدمة في مرات يشعر مستهلكي كهرباء في المنطقة الفُلانية بأن الكهرباء ستقطع لمدة بسبب صيانة محطة، فههنا ستخرج محطة من الشبكة، و كي لا تتأثر الشبكة بكاملها و تخرج فإنهم يُخرجون حملا مماثلا لما خرج من جهة التوليد كي تبقى الشبكة مُتزنة ما بين الأحمال و التوليد.
من المسائل المهمة جدا في شبكات الطاقة، و التي لا تقل أهمية عن أي عنصر آخر بها، هي معدات الحماية في الشبكة. إذ في حال وجود أي مشكلة بالشبكة، سقوط خط طاقة هوائي على الأرض، أو خط يُضرب بصاعقة سماوية، إلخ من الحوادث،، فإنه لا بد من أن تقطع الشبكة منعا لحدوث الأضرار..
بعبارة أخرى نقول تقليل الأضرار وعدم وصولها إلى مناطق أخرى، فعلى سبيل المثال ضربت صاعقة خطا هوائيا، تيار عالٍ جدا سيمر فيها و ستحترق، و أي معدة في الشبكة سيمر عليها التيار ستحترق، من محولات جهد و كيابل أرضية و كل شيء؛ لذلك في حال حصول مشكلة يتم فصل الشبكة آليا في أجزاء من الثانية.
و لهذه الغاية تستخدم أجهزة الـRelays في الشبكة و التي تراقب كمية التيار، و هناك نوعان منها:
-Differential relays
-Distance relays
النوع الأول يتم وضعه بمكانين متواليين و متصلين ببعضهما، مثلا بعد المحطة،و عند الحمل، يقوم بحساب التيار عند كلا النقطتين،فإن وجد فرقا أمر بفصل الدائرة
أما distance relays ففكرة عمله أنه و على طول الخطوط الهوائية يقوم بحساب الجهد و مقاومة الخط، نتيجة هذه القسمة لا بد أن تكون في مدى معين، إن زادت القيمة عن هذا أمر بفصل الدائرة.
الـRelays هو الآمر بفصل الدائرة، فمن هو الذي يتلقى الأوامر و يفصلها فعلا؟
الـRelays يصدر إشارة إلى جهاز يسمى circuit breaker و هو قاطع للدائرة فيقطع الجزء المتضرر عن الشبكة ليحميها إن شاء الله.
رتبها لو سمحت
@Rattibha

جاري تحميل الاقتراحات...